整流二极管紧贴电路板安装有什么危害?
作者:海飞乐技术 时间:2017-02-27 18:06
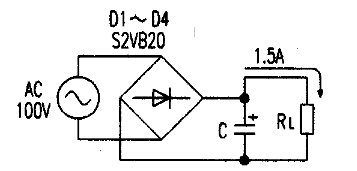
下图所示整流电路.应用中整流桥出现破裂.滤波电容冒烟。进一步检查发现整流桥发热较严重,由于其引脚被剪短后紧阽印板安装.其周边印板已呈现焦黄色。

原因
上图电路中,交流正半周时D1、D3导通;负半月时D2、D4导通;整六电流同时经过两只二极管。白于普通整流二极管的正向压奖约为1V,因而整流桥上的压降约约为2V。如果整流桥输出电流为1.5A,则整流桥的损耗约为3W,可见整流桥自身的散热应加以考虑。如果整流桥紧贴印板,与周边元件(如滤波电容等)距离又太近.其热量不能有效散发,则可能过热损坏。
对策
对发热元件的引脚不要剪得过短,应使其底部与印板间悬空;同时加大与周边元件的间隔.如图2。图3是整流桥堆(s2vB20)的引线长度与通过电流的关系曲线.可见引线越短.允许通过的电流越小。

另外。采用正向压降小的肖特基势垒极管(SBD)整流,其压降仅0.5V.可以减小损耗和发热。

上一篇:肖特基与快恢复二极管哪一个恢复时间更短?
下一篇:快恢复二极管容易坏吗?

