室外走线防雷电路中的快恢复二极管有什么作用
作者:海飞乐技术 时间:2017-03-07 18:02
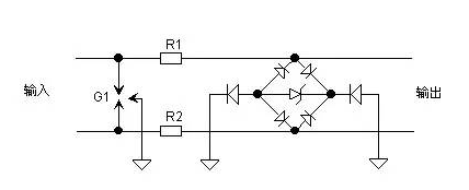
一般防雷电路中的快恢复二极管都是用在整流桥中起到整流作用。如下图为常用的室外走线RS422&RS485口防雷电路:

当信号线走线较长,可能出户外时,端口的防护等级要求较高,此时可采用图1的防护电路。快恢复二极管作用如下:
1)G1为三极气体放电管3R097CXA,主要起共模保护;
2)R1、R2为2W/4.7欧姆电阻,阻值在不影响信号传输质量的情况下可以再取大一些;
3)整流桥四周和对地共六个二极管为快恢复二极管MURS120T3,整流桥中间为TVS管SM6T6V8A,起后级的共模和差模保护的作用。当被保护端口的信号速率不高时也可以采用图b中的电路。
上一篇:使用普通二极管代换快恢复二极管有什么后果?
下一篇:STC12C4052AD单片机低功耗系统设计

