大功率变频电源中快恢复二极管的作用是什么?
作者:海飞乐技术 时间:2017-03-13 18:05
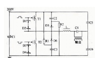
答:在大功率变频电源中快恢复二极管一般用在逆变部分的缓冲电路中,做为续流二极管和整流二极管使用。我们看一个实例:采用半桥结构串联谐振逆变电路的大功率变频电源电路分析。

图1 半桥结构串联谐振逆变电路
采用半桥结构串联谐振逆变电路的大功率变频电源,主电路原理如图1所示。在大功率IGBT谐振式逆变电路中,主电路的结构设计十分重要,由于电路中存在引线寄生电感,IGBT开关动作时在电感上激起的浪涌尖峰电压Ldi/dt不可忽视,由于本电源采用的是半桥逆变电路,相对全桥电路来说,将产生比全桥电路更大的di/dt。正确设计过压保护即缓冲电路,对IGBT的正常工作十分重要。如果缓冲电路设计不当,将造成缓冲电路损耗增大,会导致电路发热严重,容易损坏元件,不利于长期工作。

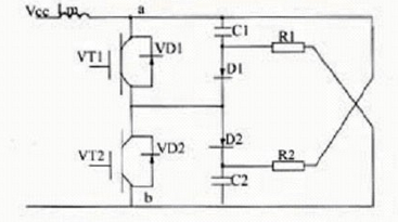
图2 缓冲电路
过程是:当VT2开通时,随着电流的上升,在线路杂散电感Lm的作用下,使得Uab下降到Vcc-Ldi/dt,此时前一工作周期以被充电到Vcc的缓冲电容C1,通过VT1的反并联二极管VD1、VT2和缓冲电阻R2放电。在缓冲电路中,流过反并联二极管VD1的瞬时导通电流ID1为流过线路杂散电感电流IL和流过缓冲电容C1的电流IC之和。即ID1=IL+IC,因此IL和di/dt相对于无缓冲电路要小得多。当VT1关断时,由于线路杂散电感Lm的作用,使Uce迅速上升,并大于母线电压Vcc,这时缓冲二极管VD1正向偏置,Lm中的储能(LmI2/2)向缓冲电路转移,缓冲电路吸收了贮能,不会造成Uce的明显上升。
上一篇: 快恢复二极管湿度传感器是怎么工作的?
下一篇:快恢复二极管为什么并联lc器件?

