90A/400V快恢复二极管
作者:海飞乐技术 时间:2019-03-25 18:08

海飞乐技术有限公司90A/400V软恢复特性二极管采用平面钝化芯片,具有少于60ns的超快恢复时间和超低的开关损耗。HFD9040P经过本公司100%雪崩测试,广泛应用于变频器、不间断电源、焊机等器件中,在阻尼和续流应用中有出色的表现!
HFD9040P主要应用领域
高频开关器件作续流
阻尼二极管
续流二极管
变频器等电子电路中
整流器开关电源(SMPS)
不间断电源(UPS)
超声波清洗机和焊机

HFD9040P产品参数


HFD9040P动态恢复特性

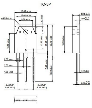
HFD9040P外形结构与尺寸表

上一篇:75A/1200V快恢复二极管
下一篇:60A/200V快恢复二极管

