60A/400V超快恢复二极管
作者:海飞乐技术 时间:2019-03-26 10:44

海飞乐技术有限公司生产研发的超快恢复二极管HFD6040P采用平面钝化新片,具有45ns的超短恢复时间及较低的开关损耗,HFD6040P具有软恢复特性,主要应用于开关电源、PWM脉宽调制器、变频器等电子电路中,作为高频整流二极管、续流二极管或阻尼二极管使用。
HFD6040P主要应用
高频开关器件作续流
阻尼二极管
续流二极管
变频器等电子电路中
整流器开关电源(SMPS)
不间断电源(UPS)
超声波清洗机和焊机
HFD6040P产品参数


HFD6040P动态恢复特性

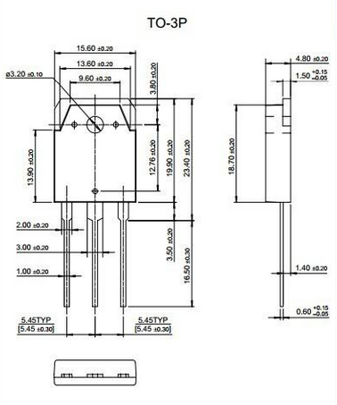
HFD6040P外形结构与尺寸


上一篇:60A/200V快恢复二极管
下一篇:200A600V快恢复二极管模块

