快恢复二极管STTH20W02C参数及现货替换
作者:海飞乐技术 时间:2019-04-24 14:30
快恢复二极管STTH20W02C性能与应用
双中心凸耳整流器STTH20W02C快恢复二极管,电压200V,电流20A,TO-247封装,低正向和反向恢复时间,超快开关,降低器件的开关损耗和提高电力电子电路的工作频率,低热阻,可靠性高。特别适用于MIG/MMA/TIG焊机二级直流和直流/交流变换器,为焊机和工业应用提供高功率集成。
快恢复二极管STTH20W02C特点
低正向和反向恢复时间
超快开关
低反向恢复电流
低热阻
低开关损耗
快恢复二极管STTH20W02C主要参数
制造商: STMicroelectronics
产品种类: 整流器
RoHS: 符合
安装风格: Through Hole
封装/箱体: TO-247
Vr - 反向电压 : 200 V
If - 正向电流: 10 A
类型: Fast Recovery Rectifiers
配置: Dual Common Cathode
Vf - 正向电压: 1.2 V
最大浪涌电流: 80 A
Ir - 反向电流 : 5 uA
恢复时间: 25 ns
最大工作温度: + 175℃
系列: STTH20W02C
封装: Tube
产品: Rectifiers
商标: STMicroelectronics
Pd-功率耗散: -
产品类型: Rectifiers
工厂包装数量: 30
子类别: Diodes & Rectifiers
单位重量: 6.500 g
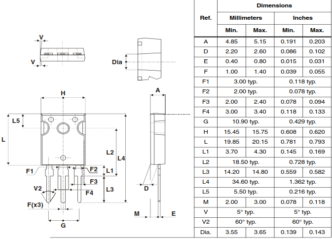
STTH20W02C封装结构与尺寸图
STTH20W02C替换资料
海飞乐技术200V20A快恢复二极管替换STTH20W02C,我司产品采用台湾芯片及先进的工艺技术封装,为您提供优质、高效的可完全替换产品,和国外进口产品相比,我司产品具有货期短、性价比高等优点。更多相关产品资料请联系我司客服,我们期待您的咨询与合作!
相关资料下载
STTH20W02C PDF下载
上一篇:16A/200V快恢复二极管MURF1620CT参数及替换
下一篇:200V/20A快恢复二极管DPG20C200PN参数及替换

