200A/1200V快恢复二极管模块
作者:海飞乐技术 时间:2019-08-21 09:29
快恢复二极管模块HFM200IDK12性能与应用
快恢复二极管可以理解为恢复速度很快及频率很高的二极管,通常用在开关电源做整流二极管,逆变电路做续流、反压吸收二极管。
快恢复二极管的内部结构与普通PN结二极管不同,它属于PIN结型二极管,即在P型硅材料与N型硅材料中间增加了基区I,构成PIN硅片。因基区很薄,反向恢复电荷很小,所以快恢复二极管的反向恢复时间较短,正向压降较低,反向击穿电压(耐压值)较高。
HFM200IDK12快恢复二极管模块,反向恢复电压1200V,正向电流200A,低正向电压降1.2V,快速反向恢复时间100ns。软恢复特性,低开关损耗,开关特性好,提高可靠性。可应用于功率转换器、电机驱动、逆变焊机和各种开关电源等。
快恢复二极管模块HFM200IDK12特点
反向恢复电压:Vrrm=1200V
低正向电压降:VF(typ.)=1.2V
平均正向电流:IF(AV.)=100A @Tc=100℃
超快速反向恢复时间:Trr(typ.)=100ns
减少电磁干扰与开关损耗
非绝缘型封装
快恢复二极管模块HFM200IDK12应用
逆变焊机
不间断电源
开关电源
电机驱动
大功率转换器
100A/1200V快恢复二极管模块HFT100DK12主要参数
200A/1200V快恢复二极管模块HFM200IDK12电气特性
HFM200IDK12特性曲线图
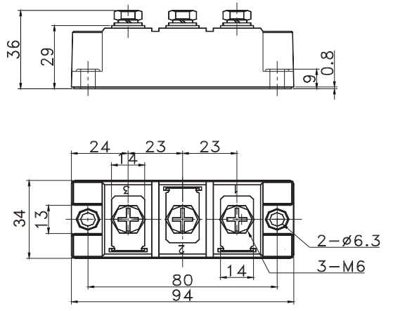
HFM200IDK12封装结构与尺寸图
快恢复二极管的过电压失效
过电压失效主要是由快恢复二极管工作时所承受的电压超过额定电压所致的。过电压引起的损坏通常出现在结边缘终端区。对于1.7kV二极管而言,过电压引起的损坏点位于有源区与终端区第一个场限环之间。这是由于该处的高电场强度所致。从失效形貌来看,损坏点较小,说明失效点并没有通过大电流,可能是由于器件使用中两端所加电压超过额定电压所致,也可能是器件制造过程中引入的缺陷所致。对3.3kV二极管,过电压导致大部分有源区和部分结终端区被烧毁,说明失效后有大电流流过,因此,可认为破坏点首先出现在终端区,然后延伸至有源区的縫合线。
海飞乐技术快恢复二极管模块采用台湾芯片及先进的工艺技术封装,为您提供优质、高效的产品,和国外产品相比,我司的该款产品具有货期短、性价比高等优点。更多相关产品资料请联系我司客服,我们期待您的咨询与合作!
上一篇:80A200V快恢复二极管参数替换DPF80C200HB
下一篇:200A600V快恢复模块HFC200DK6U

