100A/650V MOS模块参数及应用
作者:海飞乐技术 时间:2019-05-22 15:33
100A/650V MOS模块性能与应用
海飞乐技术有限公司100A/650V MOS模块,使用低电感外壳,结构紧凑,电感小,一致性好;DBC隔离铜基板,低通态压降,开关特性好,使用寿命长,结构牢固,可靠性高。应用于电动汽车、UPS设备、等离子切割、机器人等领域。
100A/650V MOS模块特点
低导通阻抗
优化体二极管反向恢复特性
低电感外壳避免振荡
开尔文电源终端易于驱动
DBC隔离铜基板
100A/650V MOS模块应用
电动汽车驱动装置
电动车
UPS设备
等离子切割
机器人直流伺服驱动
100A/650V MOS模块主要参数
100A/650V MOS模块电气特性
100A/650V MOS模块特性曲线图
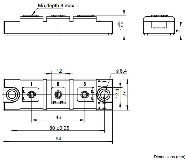
100A/650V MOS模块封装结构与尺寸图
MOS检测方法
1.准备工作
测量之前,先把人体对地短路后,才能摸触MOSFET的管脚。最好在手腕上接一条导线与大地连通,使人体与大地保持等电位。再把管脚分开,然后拆掉导线。
2.判定电极
将万用表拨于R×100档,首先确定栅极。若某脚与其它脚的电阻都是无穷大,证明此脚就是栅极G。交换表笔重测量,S-D之间的电阻值应为几百欧至几千欧,其中阻值较小的那一次,黑表笔接的为D极,红表笔接的是S极。日本生产的3SK系列产品,S极与管壳接通,据此很容易确定S极。
3.检查放大能力(跨导)
将G极悬空,黑表笔接D极,红表笔接S极,然后用手指触摸G极,表针应有较大的偏转。双栅MOS场效应管有两个栅极G1、G2。为区分之,可用手分别触摸G1、G2极,其中表针向左侧偏转幅度较大的为G2极。
目前有的MOSFET管在G-S极间增加了保护二极管,平时就不需要把各管脚短路了。
海飞乐技术MOS模块采用台湾芯片及先进的工艺技术封装,为您提供优质、高效的产品,和国外产品相比,我司的该款产品具有货期短、性价比高等优点。更多相关产品资料请联系我司客服,我们期待您的咨询与合作!
上一篇:200A600V快恢复模块HFC200DK6U
下一篇:680A/100V MOS模块

