400A/1200V快恢复二极管模块
作者:海飞乐技术 时间:2019-08-20 17:57
快恢复二极管模块HFM400IDK12性能与应用
HFM400IDK12快恢复二极管模块,反向恢复电压1200V,正向电流400A,低正向电压降2.0V,快速反向恢复时间120ns。低正向压降,开关特性好,减少电磁干扰与开关损耗,提高可靠性。可应用于功率转换器、电机驱动、逆变焊机和各种开关电源等。
快恢复二极管模块HFM400IDK12特点
反向恢复电压:Vrrm=1200V
低正向电压降:VF(typ.)=2.0V
平均正向电流:IF(AV.)=200A @Tc=100℃
超快速反向恢复时间:Trr(typ.)=120ns
减少电磁干扰与开关损耗
非绝缘型封装
快恢复二极管模块HFM400IDK12应用
逆变焊机
不间断电源
开关电源
电机驱动
大功率转换器
400A/1200V快恢复二极管模块主要参数
400A/1200V快恢复二极管模块电气特性
HFM400IDK12特性曲线图
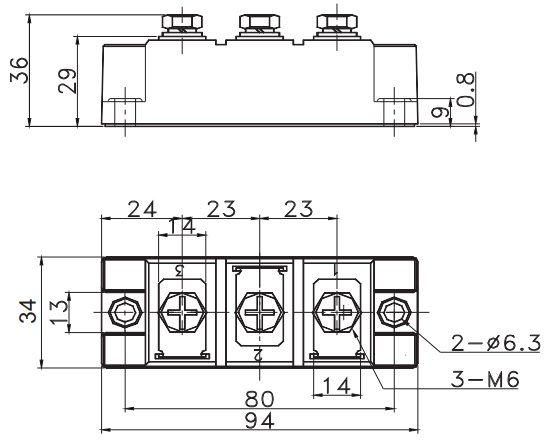
HFM400IDK12封装结构与尺寸图
快恢复二极管的过热失效
过热失效是指快恢复二极管工作时产生的功耗引起结温升高,超过器件所允许的最高结温Tjm,导致器件发生热击穿。过热失效与器件的工作温度有关。通常用一个本征温度Tint来预测温度升高时器件内部的失效机理。Tint是指当热产生导致温度升高时的载流子浓度ni( T)等于衬底掺杂浓度ND时的温度。当温度高于Tint时,载流子浓度随温度按指数增长,热产生成为主导因素。Tint与本底掺杂浓度有关,一般高压器件(ND约为1013cm-3)的Tint要比低压器件(ND约为1014cm-3)低得多。由于受材料、工艺等因素的影响,器件Tjm通常远小于Tint。
由于实际器件并非工作在热平衡状态下,所以还需考虑器件工作模式与温度的关系。如导通状态由浪涌电流产生的功耗,截止状态由漏电流引起的功耗,反向恢复期间由高反向电压产生的功耗,这些功耗均会导致器件的工作温度升高,并引起温度与电流之间出现正反馈,器件最终发生热击穿。所以,热击穿发生的条件是,热产生的功率密度大于由器件封装系统所决定的耗散功率密度。为了避免器件热失效,通常将其工作温度限制在Tjm以下。
过热失效通常表现为器件出现局部熔化。如果局部温度过高,发生在点状区域内,还会导致管芯产生裂纹。如果快恢复二极管的工作频率很高,在断态和通态之间高频转换,会产生很大的功耗,此时器件的过热失效形貌可能会不同。随着温度的升高,首先是阻断能力丧失,几乎所有的平面终端器件都会在边缘处发生击穿。因此,损坏点通常位于器件的边缘处,或至少是边缘的一小部分。
海飞乐技术快恢复二极管模块采用台湾芯片及先进的工艺技术封装,为您提供优质、高效的产品,和国外产品相比,我司的该款产品具有货期短、性价比高等优点。更多相关产品资料请联系我司客服,我们期待您的咨询与合作!
上一篇:N沟道38A/1000V增强型MOSFET
下一篇:1200V400A快恢复模块HFB400DK12

