PIN二极管在高频电子衰减器上的应用
作者:海飞乐技术 时间:2017-02-16 14:40
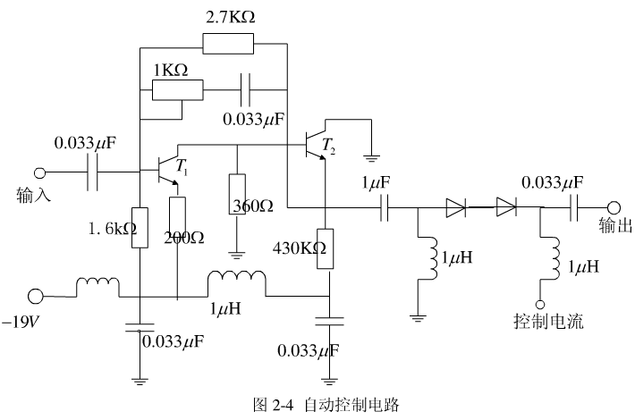
由于PIN二极管的动态电阻随二极管正向电流的增加而减小,它的这一可变电阻特性常被用在10MHz以上场合的衰减器。图2-3即为电子衰减器的基本电路。由R和正向偏置的PIN二极管构成一个分压器。因为PTN管正向偏压时的阻抗随L3的增大而减小,所以Uf可以起自动衰减的作用。
线路中两个PIN一极管串联使用,是为了减小二极管电容的影响。T1和T2用硅平面管,分别偏里于9V、15mA和7V、30mA。反馈电阻RF采用交、直流分开反馈,这杆可以调整反馈时,不影响直流偏置。
此外,PIN二极管也可以用来产生很短的脉冲以及在倍频器中产生高次谐波。这里,利用了二极管很强的非线性特性,即在反向具有很小的恒定电容。在正向等效为一个很大的贮存电容和一个很小的电阻并联,这种特性和阶跃二极管相似。故PIN_二极管同样也适用于产生短脉冲和高次谐波。
上一篇:PIN结构二极管在高频开关中的应用技术
下一篇:整流滤波电路工作原理

