二极管正向恢复效应的相关知识
作者:海飞乐技术 时间:2018-05-23 17:28
二极管是一种具有两个电极的器件,只允许电流由单一方向流过,许多的使用是应用其整流的功能。大部分二极管所具备的电流方向性我们通常称之为“整流”功能。二极管最普遍的功能就是只允许电流由单一方向通过(称为顺向偏压),反向时阻断 (称为逆向偏压)。因此,二极管可以想成电子版的逆止阀。
二极管的正向性。外加正向电压时,在正向特性的起始部分,正向电压很小,不足以克服PN结内电场的阻挡作用,正向电流几乎为零,这一段称为死区。这个不能使二极管导通的正向电压称为死区电压。当正向电压大于死区电压以后,PN结内电场被克服,二极管正向导通,电流随电压增大而迅速上升。在正常使用的电流范围内,导通时二极管的端电压几乎维持不变,这个电压称为二极管的正向电压。
二极管正向恢复效应发生的时刻
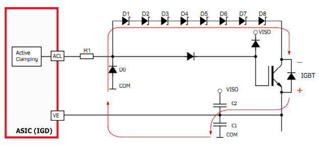
正向恢复发生在二极管开通的时刻,如下图示,在下管IGBT关断的瞬间,驱动器电流就要转移到上管的续流二极管,在这瞬间一瞬间,上管的二极管发生正向恢复过程。如右图红圈所示的时刻。
二极管正向恢复效应与器件的关系
在这里我们不讨论产生二极管正向恢复现象的原因,不过可以这样认为,这是半导体器件的固有的属性。绝大多数情况下,正向恢复效应不会产生什么问题,所以通常很少被讨论。关于这个效应,有几个特点需要注意:
1、二极管温度越高时,正向恢复效应越强烈,幅值及时间都会较长;
2、电压越高,电流越大的器件,正向恢复效应越强;
3、不同品牌的器件以及不同品牌的器件,即使是同电压或电流等级或者电压或电流等级,正向恢复效应程度也许会有所不同。
二极管正向恢复对驱动器的影响
根据二极管正向恢复效应,在二极管开通瞬间,二极管的阳极的电位会比阴极高很多,并持续几百纳秒。在此过程中,会产生如图所示的电流,图中红线所示路径为一个阻抗很低的路径,因此可以产生较大的电流。
在二极管电路运行的过程中,电流会向C1充电,因此VE的电位会被抬升 的电位会被抬升,这意味着,VE与Viso之间的电压被减小了,也就是,Viso与VE间的被稳压的+15V电压被放电。在实际应用中,这个过程是周期性发生的,与开关频率同步,因此,从宏观上看,驱动器副边的+15V会出现下跌的情形,当它跌落至12V时,驱动器会触动欠压保护。
解决办法:放置一个双向TVS瞬变抑制二极管,即可以阻断上述的电流路径,这个问题就被解决了。
其他人还看了
快恢复二极管反向恢复时间的定义及原理
快恢复二极管与其它二极管反向快恢复时间对比
快恢复二极管的反向恢复特性
上一篇:碳化硅肖特基二极管的大功率应用优势及发展趋
下一篇:二极管的阻断信号对恢复时间的影响

