TO-247封装650V/45A碳化硅二极管
作者:海飞乐技术 时间:2019-03-25 16:31
碳化硅二极管HSS4565H特性
·650V肖特基整流管
·零反向恢复电流
·零正向恢复电压
·高频操作
·独立开关特性
·快速开关
·正温度系数VF
碳化硅二极管HSS4565H优点
·单极型取代双极型
·低开关损耗
·更高工作效率
·降低散热要求
·并联器件无热失控
碳化硅二极管HSS4565H应用领域
·开关模式电源(SMPS)
·功率因数校正(PFC)
·电机驱动。
碳化硅二极管HSS4565H最大额定值(无特殊说明时TC=25℃)
碳化硅二极管HSS4565H热特性
碳化硅二极管HSS4565H电学特性
碳化硅二极管HSS4565H性能曲线图
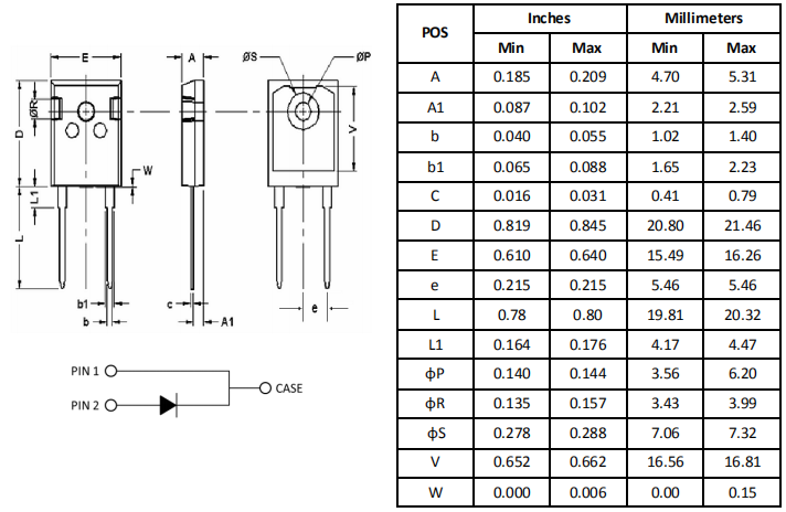
碳化硅二极管HSS4565H封装形式:TO-247-2
碳化硅二极管HSS4565H模型
上一篇:TO-247封装650V/20A碳化硅二极管
下一篇:50A650V碳化硅二极管

