400A200V快恢复二极管模块
作者:海飞乐技术 时间:2019-06-17 18:32
海飞乐技术生产的400A200V快恢复二极管模块HFC400DK2,具有开关特性好,反向恢复时间短、正向电流大、低开关损耗,体积小、安装简便等优点。可应用于逆变焊机、不间断电源、电镀电源和超声波清洗机等。主要作并联、抗饱和、缓冲、续流二极管用。
快恢复二极管与IGBT匹配的技术应用
做好快恢复二极管与IGBT的匹配技术就为IGBT模块的应用技术打下坚实的基础。可以应用于含有IGBT和快恢复二极管的各个行业,为节能减排,低碳生活做出有利贡献。IGBT是现代逆变器的主流功率器件,快恢复二极管是其不可缺少的搭档。这种技术可以广泛应用于变频家电、电机、太阳能发电、风力发电、电动汽车、高速铁路和智能电网等各个节能领域。优化IGBT与快恢复二极管匹配技术可以使IGBT变频装置噪声降低,功率因数提高,节省电能,节省材料,缩小装置体积,降低成本使装置工作稳定可靠,寿命大大延长,减少对电网的污染。
400A200V快恢复二极管模块HFC400DK2特点
超快反向恢复时间
软反向恢复特性
低反向恢复损耗
低正向电压
高浪涌电流特性
低电感封装
400A200V快恢复二极管模块HFC400DK2应用
逆变焊机
不间断电源(UPS)
电镀电源
超声波清洗机和焊接机
转换器和斩波器
功率因数校正(PFC)电路
400A200V快恢复二极管模块HFC400DK2参数
HFC400DK2特性曲线图
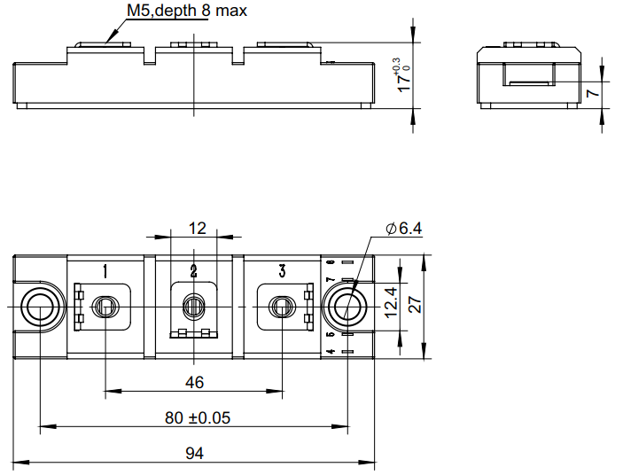
HFC400DK2封装结构与尺寸图
用数字万用表测试快恢复二极管正负极的方法:
如果二极管的正负极标记模糊不清,可以用万用表进行测试判别。
1)指针式万用判断方法:
将万用表打到R×1K档,用红黑表笔分别与二极管的两个电极相接,测得两个方向阻抗相差很大,测得阻值小的那次.则黑表笔接的就是二极管的正极。(注意:在用万用表电阻档测试时,对于电表内的电池正极是接在黑表笔—端的)
2)数字万用表判断方法:
同样可以用电阻1K档测量,测得阻值小的那次.则黑表笔接的应是二极管的负极,因为数字万用黑表笔是与电池负极连在一起的。
大部分数字万用表还提供二极管测试档,用红黑表笔分别与二极管的两个电极相接,有一次的读数为无穷大,而另一次则有一个读数,当有读数的那次红表笔所连的那端为二极管的正极(A)。
注意:在测试二极管时可能需要将其与工作电路分离
海飞乐技术快恢复二极管模块采用台湾芯片及先进的工艺技术封装,为您提供优质、高效的产品,和国外产品相比,我司的该款产品具有货期短、性价比高等优点。更多相关产品资料请联系我司客服,我们期待您的咨询与合作!
上一篇:400A/100V快恢复二极管模块
下一篇:600A/100V快恢复二极管模块

