300A/100V肖特基二极管
作者:海飞乐技术 时间:2019-08-20 17:44
300A/100V肖特基二极管性能与应用
海飞乐技300A/100V肖特基二极管在导通过程中没有额外载流子的注入和储存,因而基本没有反向恢复电流,其关断过程很快,开关损耗很小。具有低压大电流、低功耗、高速开关等优良特性,在高频整流、开关电路和保护电路中作为整流和续流元件,可以大幅度降低功耗,提高电路效率和使用频率,减少电路噪声。
300A/100V肖特基二极管特点
反向恢复电压:Vrrm=130V
低正向电压降:VF(typ.)=0.8V
平均正向电流:IF(AV.)=150A @Tc=100℃
超快速反向恢复时间:Trr(typ.)=80ns
减少电磁干扰与开关损耗
非绝缘型封装
300A/100V肖特基二极管应用
逆变焊机
不间断电源
开关电源
电机驱动
大功率转换器
300A/100V肖特基二极管主要参数
300A/100V肖特基二极管电气特性
300A/100V肖特基二极管特性曲线图
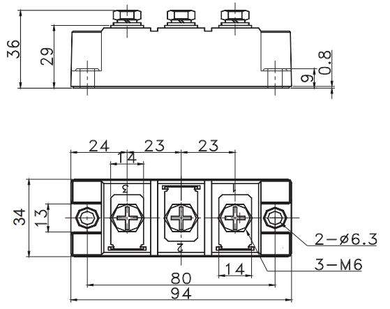
300A/100V肖特基二极管封装结构与尺寸图
肖特基二极管的工作状态:
(1)截止状态:即没有基本电流,肖特基二极管生产厂家可以切断基本电路,或者使基极电压低于PN结的死区电压,没有基极电流;此时集电极和发射极之间相当于一个断开的开关,称为截止状态。
(2)放大状态:有了基极电流,在集电极电流达到最大之前,集电极电流等于基极电流乘以二极管的放大倍数,此时称二极管处于放大状态。
(3)饱和导通状态:增大基极电流以致于集电极电流达到最大后,集电极电流已不受基极电流控制。二极管集电极和发射极之间相当于一个接通的开关,称为饱和导通状态。
海飞乐技术300A/100V肖特基二极管采用台湾芯片及先进的工艺技术封装,为您提供优质、高效的产品,和国外产品相比,我司的该款产品具有货期短、性价比高等优点。更多相关产品资料请联系我司客服,我们期待您的咨询与合作!
上一篇:60A/300V肖特基二极管
下一篇:400A/100V肖特基二极管

