抑制功率二极管反向恢复的几种可行性方案
作者:海飞乐技术 时间:2017-01-17 17:52
高频功率二极管在电力电子装置中的应用极其广泛。但PN结功率二极管在由导通变为截止状态过程中,存在反向恢复现象。这会引起二极管损耗增大,电路效率降低以及EMI增加等问题。这一问题在大功率电源中更加突出。常用RC吸收、串入饱和电抗器吸收、软开关电路等开关软化方法加以解决,但关于其效果对比的研究报道尚不多见。本文以Buck电路为例,对这几种方案进行了比较,通过实验及仿真得出有用的结论。
1、二极管反向恢复原理
以普通PN结二极管为例,PN结内载流子由于存在浓度梯度而具有扩散运动,同时由于电场作用存在漂移运动,两者平衡后在PN结形成空间电荷区。当二极管两端有正向偏压,空间电荷区缩小,当二极管两端有反向偏压,空间电荷区加宽。当二极管在导通状态下突加反向电压时,存储电荷在电场的作用下回到己方区域或者被复合,这样便产生一个反向电流。
2、解决功率二极管反向恢复的几种方法
为解决功率二极管反向恢复问题已经出现了很多种方案。一种思路是从器件本身出发,寻找新的材料力图从根本上解决这一问题,比如碳化硅二极管的出现带来了器件革命的曙光,它几乎不存在反向恢复的问题。另一种思路是从拓扑角度出发,通过增加某些器件或辅助电路来使功率二极管的反向恢复得到软化。目前,碳化硅二极管尚未大量进入实用,其较高的成本制约了普及应用,大量应用的是第二种思路下的软化电路。本文以一个36V输入、30V/30A输出、开关频率为62.5kHz电路(如图1所示)为例,比较了几种开关软化方法。

图1 Buck电路
2.1 RC吸收
这是解决功率二极管反向恢复问题的常用方法。在高频下工作的功率二极管,要考虑寄生参数。图2(a)为电路模型,其中D为理想二极管,Lp为引线电感,Cj为结电容,Rp为并联电阻(高阻值),Rs为引线电阻。RC吸收电路如图2(b)所示,将C1及R1串联后并联到功率二极管D0上。二极管反向关断时,寄生电感中的能量对寄生电容充电,同时还通过吸收电阻R1对吸收电容C1充电。在吸收同样能量的情况下,吸收电容越大,其上的电压就越小;当二极管快速正向导通时,C1通过R1放电,能量的大部分将消耗在R1上。

图2 解决功率二极管反向恢复问题的常用方案
2.2 串联饱和电抗器
这是解决这一问题的另一种常用方法,如图2(c)所示。一般铁氧体(Ferrite)磁环和非晶合金(Amorphous)材料的磁环都可以做饱和电抗器。根据文献[1],用饱和电抗器解决二极管反向恢复问题时,常用的锰锌铁氧体有效果,但是能量损失比非晶材料大。随着材料技术的进展,近年来非晶饱和磁性材料性能有了很大提高。
对应图3(a)和图3(b),第Ⅰ阶段通过D0的电流很大,电抗器Ls饱和,电感值很小;第Ⅱ阶段当二极管电流开始下降时,Ls仍很小;第Ⅲ阶段二极管电流反向,反向恢复过程开始(trr为反向恢复时间),Ls值很快增大,抑制了反向恢复电流的增大,这样就使电流变成di/dt较小的软恢复,使二极管的损耗减小,同时抑制了一个重要的噪声源;第Ⅳ阶段二极管反向恢复结束;第Ⅴ阶段二极管再次导通,由于电流增大,Ls很快饱和。

图3 饱和电抗器对二极管反向恢复抑制示意
2.3 软开关电路

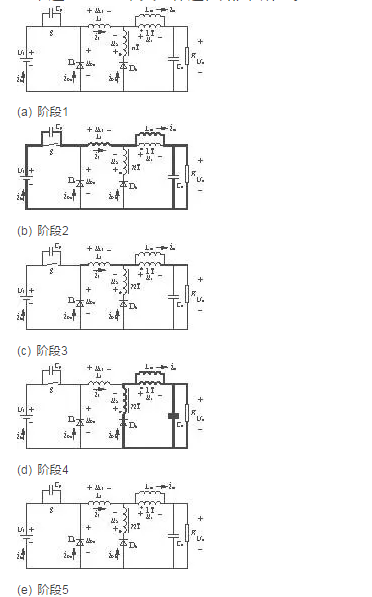
图2(d)为一种有效的二极管反向恢复软化电路[2]。Lk为变压器漏感。n为变压器匝比,这里取n=3,其工作过程如图4所示。
阶段1如图4(a)所示,开关S已经导通,D0处于反向截止状态,励磁电感Lm与漏感Lk被线性充电。阶段2开关S关断,S的寄生电容Cp被充电,该过程很短,可近似看作线性,如图4(b)所示。阶段3D0及Db均导通,如图4(c)所示。阶段4二极管D0中的电流在漏感Lk的作用下逐渐下降为0,如图4(d)所示。阶段5开关S导通,如图4(e)所示,支路二极管Db中的电流继续下降,在S关断前下降为0。
图4(c)中D0导通,uD0≈0,当到图4(d)状态,uD0=-u2=u0/(1+n),图5(d)的试验波形验证了这一点。
3、实验结果
图5给出了各种情况下的二极管D0的端电压波形。
(

图5 实验波形
从图5波形中可以看到,二极管反向恢复的电压毛刺减小,说明3种方案对二极管反向恢复均有抑制的效果。用RC吸收电路虽然抑制了二极管反向恢复,但反向恢复的电压毛刺与振荡还比较明显。采用软化电路后如前分析,理论上反向恢复电流应该降为零,但由于电路中杂散参数的影响,二极管关断过程中电压波形还有振荡。串入饱和电抗器对二极管反向恢复抑制效果最好。
4、小结
碳化硅的推广应用或许是二极管反向恢复问题的根本解决途径。目前主要采用RC吸收电路。串联饱和电抗器以及软化电路也是抑制二极管反向恢复的有效方案。理论分析和试验证明,串联非晶饱和电抗器最为简单有效,有望得到进一步推广。
上一篇:快恢复二极管动态雪崩过程及机制
下一篇:快恢复二极管失效模式分析与处理方式

