80A/300V快恢复二极管DPG80C300HB参数及替换
作者:海飞乐技术 时间:2019-07-10 16:59
80A/300V快恢复二极管DPG80C300HB性能与应用
海飞乐技术300V80A快恢复二极管可替换DPG80C300HB。DPG80C300HB快恢复二极管,使用平面钝化芯片,降低泄露电流及开关损耗,软恢复特性,反向恢复时间短,改善热性能,可靠性高。可应用于低电压整流,高频转换开关,开关电源、高频直流转换器、续流和极性保护等。
对于这个快恢复二极管来说,它的内部所具有的结构跟普通的PN结二极管是有着不同的区别的。这个快恢复二极管是PIN结型的二极管类型,也就是说在P型的硅材料跟N型的硅材料里面,增加了一个基区I,这样就构成了PIN硅片。由于基区是相对比较薄的,所以相应的反向恢复的电荷还是相对较小的。所以具有很短的反向恢复时间,低正向压降,相应的反向击穿电压还是比较高的。在应用中作为高频整流二极管、续流二极管或阻尼二极管使用。起到高频整流、续流、吸收、隔离和箝位的作用。
80A/300V快恢复二极管DPG80C300HB应用
并联二极管
抗饱和二极管
缓冲二极管
续流二极管
开关电源中的整流器
开关电源(SMPS)中的整流器
不间断电源(UPS)
80A/300V快恢复二极管DPG80C300HB封装特点
封装:TO-247AD-3
符合工业标准
符合RoHS
环氧树脂符合UL 94V-0
80A/300V快恢复二极管DPG80C300HB主要参数
制造商: IXYS
产品种类: 二极管 - 通用,功率,开关
RoHS: 符合
产品: Switching Diodes
安装风格: Through Hole
封装/箱体: TO-247AD-3
峰值反向电压: 300 V
最大浪涌电流: 450 A
If - 正向电流: 40 A
恢复时间: 35 ns
Vf - 正向电压: 1.07 V
Ir - 反向电流 : 0.2 mA
最小工作温度: - 55℃
最大工作温度: + 150℃
系列: DPG80C300
封装: Tube
高度: 21.45 mm
长度: 16.24 mm
类型: Fast Recovery Diode
宽度: 5.3 mm
Pd-功率耗散: 215 W
产品类型: Diodes - General Purpose, Power, Switching
工厂包装数量: 30
Vr - 反向电压 : 300 V
单位重量: 38 g
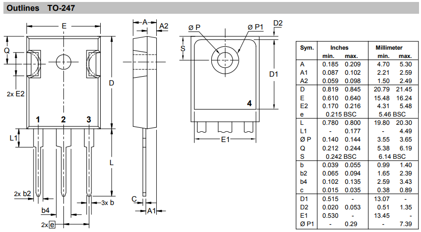
DPG80C300HB封装结构与尺寸图
快恢复二极管使用注意事项
1)有些单管,共三个引脚,中间的为空脚,一般在出厂时剪掉,但也有不剪的。
2)若对管中有一只管子损坏,则可作为单管使用。
3)测正向导通压降时,必须使用R×1档。若用R×1k档,因测试电流太小,远低于管子的正常工作电流,故测出的VF值将明显偏低。在上面例子中,如果选择R×1k档测量,正向电阻就等于2.2kΩ,此时n′=9格。由此计算出的VF值仅0.27V,远低于正常值(0.6V)。
DPG80C300HB替换资料
海飞乐技术300V80A快恢复二极管替换DPG80C300HB,我司产品采用台湾芯片及先进的工艺技术封装,为您提供优质、高效的可完全替换产品,和国外进口产品相比,我司产品具有货期短、性价比高等优点。更多相关产品资料请联系我司客服,我们期待您的咨询与合作!
上一篇:替换STTH60W03C/DPF60C300HB/FFA60UP30DN
下一篇:MUR1640CT/STTH16R04C参数及替换

