RHRP1560现货报价_参数_替换资料
作者:海飞乐技术 时间:2019-07-22 09:49
快恢复二极管性能特点:
(1)反向恢复时间trr要短,以加快器件的开关速度,降低器件的开关损耗和提高电力电子电路的工作频率;
(2)反向恢复峰值电流IRM要小,防止开关器件因通过大电流而烧毁;
(3)反向恢复软度因子S要大,以减小器件反向恢复过程中的电压过冲和电压振荡,提高器件工作的稳定性和可靠性;
(4)反向漏电流IR要小,以减小器件在关断状态下的功率损耗;
(5)正向通态压降VF要小,以减小器件在导通状态下的功率损耗。以达到这些要求为基本目标。
快恢复二极管RHRP1560技术参数资料
制造商: ON Semiconductor
产品种类: 整流器
RoHS: 符合
安装风格: Through Hole
封装/箱体: TO-220AC-2
Vr - 反向电压 : 600 V
If - 正向电流: 15 A
配置: Single
Vf - 正向电压: 2.1 V
最大浪涌电流: 200 A
Ir - 反向电流 : 100 uA
恢复时间: 40 ns
最小工作温度: - 65℃
最大工作温度: + 175℃
封装: Tube
高度: 9.65 mm
长度: 10.67 mm
产品: Rectifiers
宽度: 4.83 mm
Pd-功率耗散: 100 W
工厂包装数量: 800
单位重量: 2.160 g
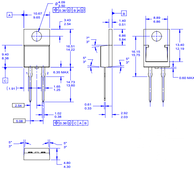
RHRP1560封装尺寸
二极管特性曲线
与PN结一样,二极管具有单向导电性。硅二极管典型伏安在二极管加有正向电压,当电压值较小时,电流极小;当电压超过0.6V时,电流开始按指数规律增大,通常称此为二极管的开启电压;当电压达到约0.7V时,二极管处于完全导通状态,通常称此电压为二极管的导通电压,用符号UD表示。
对于锗二极管,开启电压为0.2V,导通电压UD约为0.3V。在二极管加有反向电压,当电压值较小时,电流极小,其电流值为反向饱和电流IS。当反向电压超过某个值时,电流开始急剧增大,称之为反向击穿,称此电压为二极管的反向击穿电压,用符号UBR表示。不同型号的二极管的击穿电压UBR值差别很大,从几十伏到几千伏。
RHRP1560替换资料
海飞乐技术HFD3060PD替换RHRP1560快恢复二极管,产品采用台湾芯片及先进的工艺技术封装,为您提供优质、高效的可完全替换产品,和国外进口产品相比,我司的该款产品具有货期短、性价比高等优点。我们期待您的咨询与合作!
上一篇:MUR3060现货报价_参数_替换资料
下一篇:DSEI60-06A现货报价_参数_替换资料

