DSEI60-06A现货报价_参数_替换资料
作者:海飞乐技术 时间:2019-07-23 18:11
快恢复二极管的内部结构与普通二极管不同,它是在P型、N型硅材料中间增加了基区I,构成P-I-N硅片。由于基区很薄,反向恢复电荷很小,不仅大大减小了trr值,还降低了瞬态正向压降,使管子能承受很高的反向工作电压。DSEI60-06A快恢复二极管,电压600V,电流60A,2引脚 TO-247AD封装,最高工作温度+150℃。主要应用于开关电源、PWM脉宽调制器、变频器等电子电路中。
DSEI60-06A特性
平面钝化芯片
低漏电流
恢复时间短
改善热性能
低IRM值
软恢复特性
额定雪崩电压,运行可靠
低EMI/RFI值,软反向恢复
减少开关损耗
DSEI60-06A应用
高频开关器件作并联二极管
抗饱和二极管
缓冲二极管
续流二极管
开关电源(SMPS)整流器
不间断电源(UPS)
DSEI60-06A封装
TO-247封装
符合工业标准
符合RoHS
环氧树脂符合UL 94V-0
快恢复二极管DSEI60-06A技术参数资料
制造商: IXYS
产品种类: 整流器
RoHS: 符合
安装风格: Through Hole
封装/箱体: TO-247
Vr - 反向电压 : 600 V
If - 正向电流: 60 A
配置: Single
Vf - 正向电压: 1.8 V
最大浪涌电流: 600 A
Ir - 反向电流 : 200 uA
恢复时间: 50 ns
最小工作温度: - 55℃
最大工作温度: + 150℃
封装: Tube
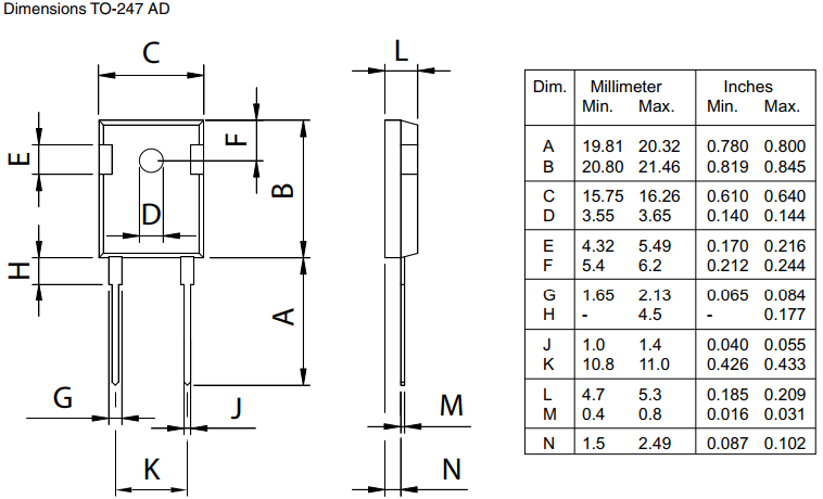
高度: 21.46 mm (Max)
长度: 16.26 mm (Max)
端接类型: Solder Pin
宽度: 5.3 mm (Max)
Pd-功率耗散: 166 W
工厂包装数量: 30
单位重量: 6.500 g
DSEI60-06A封装尺寸
什么是反向恢复时间?
当外加二极管的电压瞬间从正向转到反向时,流经器件的电流并不能相应地瞬间从正向电流转换为反向电流。此时,正向注入的少数载流子(空穴)被空间电荷区的强电场抽取,由于这些空穴的密度高于基区平衡空穴密度,因而在反向偏置瞬间,将产生一个远大于反向漏电流的反向电流,即反向恢复电流IRM。与此同时,符合过程的强化也在加速这些额外载流子密度的下降,直到基区中积累的额外载流子的完全消失,反向电流才下降并稳定到反向漏电流。整个过程所经历的时间为反向恢复时间。
DSEI60-06A替换资料
海飞乐技术HFD6060H快恢复二极管可替换DSEI60-06A,我司产品采用台湾芯片及先进的工艺技术封装,为您提供优质、高效的可完全替换产品,和国外进口产品相比,我司的该款产品具有货期短、性价比高等优点。我们期待您的咨询与合作!
上一篇:RHRP1560现货报价_参数_替换资料
下一篇:RHRP8120现货报价_参数_替换资料

