RHRP8120现货报价_参数_替换资料
作者:海飞乐技术 时间:2019-07-24 11:09
快恢复二极管作用
随着电力电子技术向高频化、模块化方向发展,快恢复二极管作为一种高频器件也得到蓬勃发展,现已广泛用于各种高频逆变装置和斩波调速装置内,起到高频整流、续流、吸收、隔离和箝位的作用,这对发展我国高频逆变焊机、高频开关型电镀电源、高频高效开关电源、高频快速充电电源、高频变频装置及功率因数校正装置等将起到推动作用。这些高效、节能、节电和节材,并能提高产品质量和劳动生产率的高频逆变装置将逐步替代目前正在大量生产、体积庞大、效率低和对电网污染严重的晶闸管工频电源,对加速我国电力电子产品的更新换代周期将起到决定性作用。
快恢复二极管RHRP8120技术参数资料
制造商: ON Semiconductor
产品种类: 整流器
RoHS: 符合
安装风格: Through Hole
封装/箱体: TO-220AC-2
Vr - 反向电压 : 1.2 kV
If - 正向电流: 8 A
配置: Single
Vf - 正向电压: 3.2 V
最大浪涌电流: 100 A
Ir - 反向电流 : 100 uA
恢复时间: 70 ns
最小工作温度: - 65℃
最大工作温度: + 175℃
封装: Tube
高度: 9.65 mm
长度: 10.67 mm
产品: Rectifiers
宽度: 4.83 mm
Pd-功率耗散: 75 W
工厂包装数量: 800
单位重量: 2.160 g
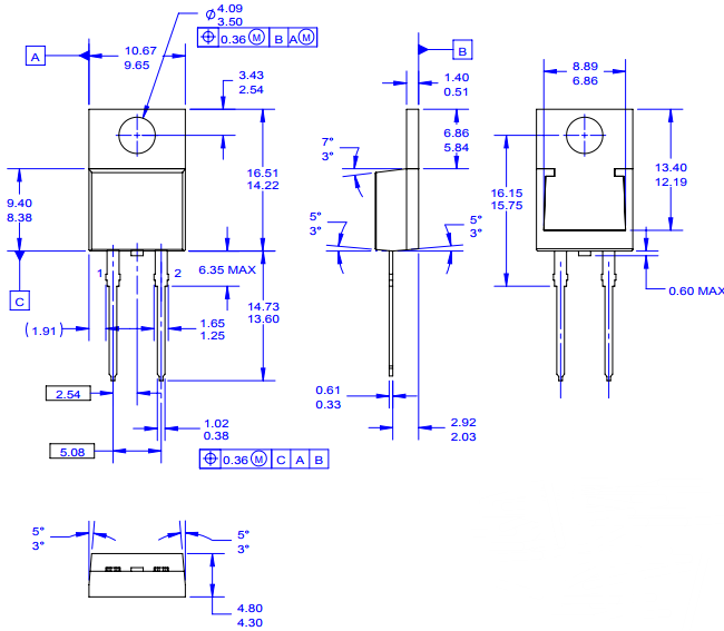
RHRP8120封装尺寸
快恢复二极管使用注意事项
1)有些单管,共三个引脚,中间的为空脚,一般在出厂时剪掉,但也有不剪的。
2)若对管中有一只管子损坏,则可作为单管使用。
3)测正向导通压降时,必须使用R×1档。若用R×1k档,因测试电流太小,远低于管子的正常工作电流,故测出的VF值将明显偏低。在上面例子中,如果选择R×1k档测量,正向电阻就等于2.2kΩ,此时n′=9格。由此计算出的VF值仅0.27V,远低于正常值(0.6V)。
RHRP8120替换资料
海飞乐技术HFD8120CU替换RHRP8120快恢复二极管,产品采用台湾芯片及先进的工艺技术封装,为您提供优质、高效的可完全替换产品,和国外进口产品相比,我司的该款产品具有货期短、性价比高等优点。我们期待您的咨询与合作!
上一篇:DSEI60-06A现货报价_参数_替换资料
下一篇:RHRP15120现货报价_参数_替换资料

